VFC 3220变频器 VFC 3220变频器

小而不凡,超乎所见

VFC 3220变频器针对三相电压为380V(-15%)...480V(+10%)的电网而设计,控制电机功率范围是0.4kW至5.5kW, 是一款多功能迷你型变频器。该产品支持增强型V/f控制与无传感器矢量控制,输出频率可达599Hz, 集成制动单元,PID控制,速度控制电位器等多种特性,覆盖大部分异步电机及永磁同步电机使用场景。

VFC 3220变频器,以其强大的功能,适用于水平输送、小型机械负载等各种场景使用,特别适用于以下行业:

  • 印刷包装
  • 物料输送
  • 食品饮料
  • 木工机械
  • 制药设备
  • 机床设备
  • ….

可靠耐用:

  • 强化冲击振动测试
  • 标配三防涂层
  • 独立冷却风道
  • 盖板增强接线防护
  • 全功率集成制动单元

适用性广:

  • 323V–528V 超宽电压适应
  • 高性能矢量控制永磁同步电机
  • 控制频率至599Hz
  • EMC加强测试
  • NPN/PNP控制适配

灵活易用:

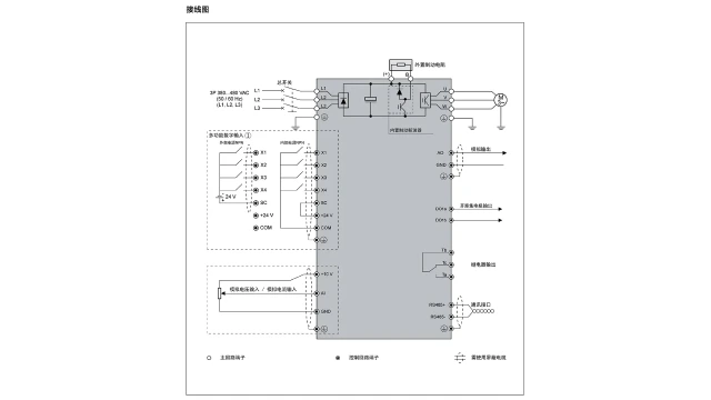
  • 弹簧式I/O端子,提升接线效率
  • Type C 调试接口
  • 无缝并排安装
  • 提高通讯速率范围
  • 体积缩小25%

支持